Updated June 2020.
Our recent post describedhow to read optical production drawings. One of the parameters frequently found in optical drawings,“Datum Surface,”should be covered more closely.
Datum definition
As defined by both ISO and ANSI technical standards, datum marks part entity (i.e., axis, surface, point), allowing us to apply geometrical requirements and tolerances (GD&T). Even though some of the geometrical characteristics (cylindricity, roundness, flatness) do not require datum, it is needed when defining positions between the edges and surfaces. Thus, datums are indispensable when characteristics such as parallelism, perpendicularity, or profile surface are required.
Since optical engineering products heavily rely on the surfaces and precision, GD&T is widely used. For this reason, in optical engineering, the key function of the datum surface is defining a “reference point” for geometrical lens requirements.

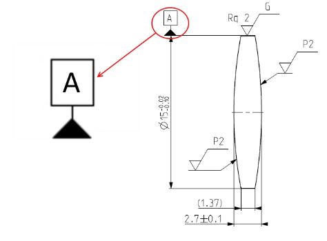
The datum surface symbol looks like a black triangle with a letter inside a square near the triangle apex in optical drawings
Selecting the datum surface
The datum surface symbol consists of a capital letter in a square frame and has a leader ending with a black triangle (shown in the image below). It can be placed on the feature surface outline or the extension line, marking the surface as adatum surface.
注:技术standards prohibit using letters I, O, and Q for datum features.
In the drawing above, while the lens front and back face are spherical, the side face is a cylindrical surface. The cylinder formation axis is selected as a datum axis, and all other geometrical requirements are defined relative to it. In our case, this is the surface centering (see “How To Read An Optics Production Drawing” – “Table of parameters area” – “Column with surface parameters”).
Need assistance designing a custom optic or imaging lens ?Learn more about our design services here.
There are multiple ways of defining thedatum surfaces. On a spherical or chamfer surface, several more complex variants are possible. Selecting the wrongdatum surfacesignificantly affects the production cost of the optical element, as well as the optical system quality.
Good lens design requires a multidisciplinary team; optical and mechanical engineers closely cooperate to estimate the optical system (or element) requirements, and they need to have a shared understanding of datum surface assignment. We(strongly) advise you to check your drawings definitions with your lens producer –measure twice, cut once!







